

TDB15-50W 系列DC/DC隔离电源模块
TDB 15-50W Series DC DC Converter-IDEALPLUSING
I.型号列表 MODELS LIST
单路输出Single Channels Ouput
型号Models | 输入电压 Input voltage (VDC) | 输出电压(范围) Input voltage (Range)
| 输出电压Output voltage (VDC) | 输出电流Output current(A) | 纹波 Pipple and noise(mv) | 效率 Efficiency (Typ) |
TDB15-110S05 | 110 | 70-140 | 05 | 3 | 50 | 70% |
TDB20-110S12 | 110 | 70-140 | 12 | 1.66 | 50 | 75% |
TDB30-110S24 | 110 | 70-140 | 24 | 1.25 | 50 | 78% |
TDB15-300S05 | 300 | 200-400 | 05 | 3 | 50 | 70% |
TDB15-300S12 | 300 | 200-400 | 12 | 1.25 | 50 | 75% |
TDB30-300S15 | 300 | 200-400 | 15 | 2 | 50 | 78% |
TDB30-300S24 | 300 | 200-400 | 24 | 1.25 | 50 | 70% |
TDB15-600S05 | 600 | 400-800 | 05 | 3 | 50 | 75% |
TDB20-600S12 | 600 | 400-800 | 12 | 1.66 | 50 | 78% |
TDB25-600S24 | 600 | 400-800 | 24 | 1.04 | 50 | 70% |
TDB50-600S24 | 600 | 400-800 | 24 | 2.08 | 50 | 70% |
TDB20-800S05 | 800 | 100-1000 | 05 | 4 | 50 | 75% |
说明:仅例出典型型号,其它型号,请确定功率,输入电压及输出电压,*电我公司
Only typical models listed. If you need other model,please conform the power ,input voltage and output voltage,then phone us.
II. 特性FEATURES
1 | 输入电压范围宽 Wide range of input voltage |
2 | 高可靠性,长寿命设计 Design for high reliability,long lifetime |
3 | 输入欠压过压保护 Under-&over-voltage protection for output |
4 | iag满负荷效率可达92% Full load efficiency up to 92% |
5 | 快速动态响应 Fast dynamic response |
6 | 功率密度达26W/in³ UP to 26W/in³ power density |
7 | 高压输入,大功率输出 High voltage input , high output power |
8 | 功率覆盖范围广,便于升级 Wide range of power ,easy to upgrade |
输入特性INPUT CHARACTERISTIC
额定值Rated value(VDC) | 电压范围Voltage Range(VDC) |
110 VDC(额定值) | 70-140VDC |
300 VDC (额定值) | 200-400VDC |
600VDC (额定值) | 400-800VDC |
800VDC(额定值) | 100-1000VDC |
备注:反压保护<Reverse Protection> 应用时外接熔丝<Fuse outside> | |
IV. 输出特性OUTPUT CHARACTERISTIC
功率 Power | 15-50W |
输出电流Output Current | 0-4A 任选 |
输出电压Output Voltage | 5-24VDC |
电压精度 Voltage Set-point Accuracy | ±0.2% |
电压调整率(主路)Line Regulation<main> | ±0.5% |
负载调整率(主路)Load Regulation<main> | ±0.4% |
温度变化率 rate of change of temperature | ±0.01%/℃ |
电流限制点 Output Current Limiting | 120%(Typ) |
响应速度 response time | 400μs |
一般特性 GENERAL CHARACTERISTIC
工频频率 Switching Frequency | 160-200KHz |
绝缘电阻 Isolation resistance | 200MΩ |
MTBF | >500000 h |
隔离绝缘电压值Isolation Voltage
输入-输出Input-Output | >2000VDC |
输入-外壳Input-Case | >2000VDC |
输出-外壳Output-Case | >500VDC |
环境特性Environmental Characteristics
工作壳温 Case Temperature | (工业品)Industry | -25 – +85℃ |
(军I) Military l | -40 – +85℃ | |
(军II) Military II | -55 – +85℃ | |
存储温度 Storage Temperature | (工业品) Industry | -45 – +105℃ |
(军I)Military l | -55 – +105℃ |
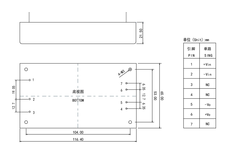
外型尺寸与引脚定义 MECHANICAL DRAWING AND PIN DEFINITION




版权所有 广东铭锌科技有限公司 备案号:粤ICP备2021171912号 技术支持:天英网络